Non ci sono articoli nel tuo carrello
SCHEDA ARTICOLO

AH 313 G

BUSSOLA DI PRESSIONE
Codice: 02036
Disponibilità: Disp. limitata
Disponibilità: 4 disponibile
Marca: SKF
Unità di misura: NR
Quantitativi ammessi: multipli di 1X
Da preventivare

Descrizione

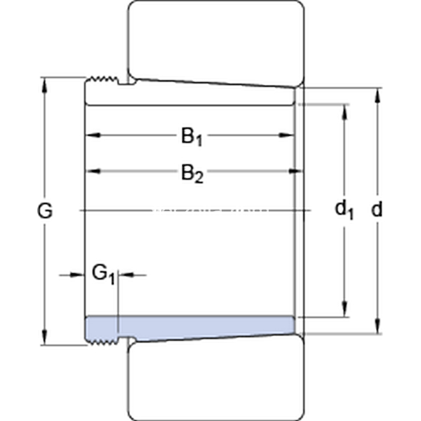
Dimensioni: Foro: 60 mm Diametro: 70 mm Spessore: 42 mm Peso: 0,22 kg


Dettagli

  • EAN-Code : 07316577009548
  • Taric number : 84829900

Dimensioni
d1 60mm
d 65mm
B1 42mm
B2 45mm
G M 70x2
G1 8mm
Massa
Massa bussola di pressione  0.22kg