Non ci sono articoli nel tuo carrello
SCHEDA ARTICOLO

AHX 3126

BUSSOLA DI PRESSIONE
Codice: 02030
Disponibilità: disponibile
Disponibilità: 26 disponibile
Marca: SKF
Unità di misura: NR
Quantitativi ammessi: multipli di 1X
Da preventivare

Descrizione

Dimensioni: Foro: 125 mm Diametro: 140 mm Spessore: 78 mm Peso: 1,062 kg


Dettagli

  • EAN-Code : 07316577013484
  • Taric number : 84829900

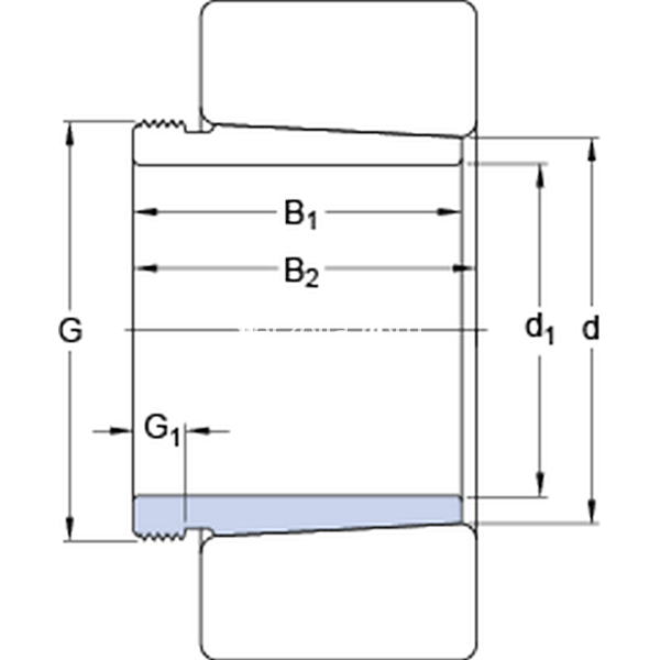
Dimensioni
d1 125mm
d 130mm
B1 78mm
B2 82mm
G M 140x2
G1 12mm
Massa
Massa bussola di pressione  1.1kg