Non ci sono articoli nel tuo carrello
Prodotti
SCHEDA ARTICOLO

16008

CUSCINETTO
Codice: 00754
Disponibilità: disponibile
Disponibilità: 22 disponibile
Marca: SKF
Unità di misura: NR
Quantitativi ammessi: multipli di 1X
€14,82

Descrizione

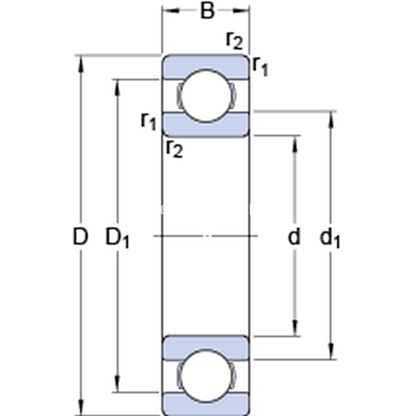
Dimensioni: Foro: 40 mm Diametro: 68 mm Spessore: 9 mm


Dettagli

  • EAN-Code : 07316576676659
  • Taric number : 84821090

Dimensioni
d 40mm
D 68mm
B 9mm
d149.4mm
D158.6mm
r1,2min.0.3mm
Dimensioni Dello Spallamento
damin.42mm
Damax.66mm
ramax.0.3mm
Dati Di Calcolo
Coefficiente di carico dinamicoC 13.8kN
Coefficiente di carico statico di baseC0 10.2kN
Carico limite di faticaPu 0.44kN
Velocità di riferimento  22000r/min
Velocità limite  14000r/min
Fattore di calcolokr 0.02 
Fattore di calcolof0 16 
Massa
Massa cuscinetto  0.13kg