Non ci sono articoli nel tuo carrello
Prodotti
SCHEDA ARTICOLO

16018

CUSCINETTO
Codice: 00764
Disponibilità: Disp. limitata
Disponibilità: 5 disponibile
Marca: SKF
Unità di misura: NR
Quantitativi ammessi: multipli di 1X
€78,31

Descrizione

Dimensioni: Foro: 90 mm Diametro: 140 mm Spessore: 16 mm


Dettagli

  • EAN-Code : 07316577015976
  • Taric number : 84821090

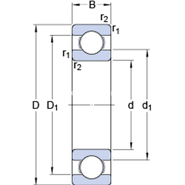
Dimensioni
d 90mm
D 140mm
B 16mm
d1106.7mm
D1123.2mm
r1,2min.1mm
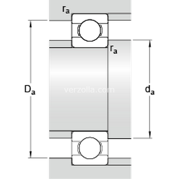
Dimensioni Dello Spallamento
damin.94.6mm
Damax.135mm
ramax.1mm
Dati Di Calcolo
Coefficiente di carico dinamicoC 43.6kN
Coefficiente di carico statico di baseC0 39kN
Carico limite di faticaPu 1.56kN
Velocità di riferimento  10000r/min
Velocità limite  6300r/min
Fattore di calcolokr 0.02 
Fattore di calcolof0 16.3 
Massa
Massa cuscinetto  0.85kg