Non ci sono articoli nel tuo carrello
Prodotti
SCHEDA ARTICOLO

16022

CUSCINETTO
Codice: 00769
Disponibilità: Disp. limitata
Disponibilità: 3 disponibile
Marca: SKF
Unità di misura: NR
Quantitativi ammessi: multipli di 1X
€166,17

Descrizione

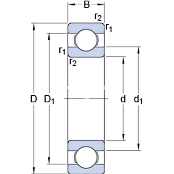
Dimensioni: Foro: 110 mm Diametro: 170 mm Spessore: 19 mm


Dettagli

  • EAN-Code : 07316577016010
  • Taric number : 84821090

Dimensioni
d 110mm
D 170mm
B 19mm
d1130mm
D1149.95mm
r1,2min.1mm
Dimensioni Dello Spallamento
damin.115mm
Damax.165mm
ramax.1mm
Dati Di Calcolo
Coefficiente di carico dinamicoC 60.5kN
Coefficiente di carico statico di baseC0 57kN
Carico limite di faticaPu 2.04kN
Velocità di riferimento  8000r/min
Velocità limite  5000r/min
Fattore di calcolokr 0.02 
Fattore di calcolof0 16.3 
Massa
Massa cuscinetto  1.47kg