Non ci sono articoli nel tuo carrello
Prodotti
SCHEDA ARTICOLO

16056 MA

CUSCINETTO
Codice: 00782
Disponibilità: disponibile
Disponibilità: 19 disponibile
Marca: SKF
Unità di misura: NR
Quantitativi ammessi: multipli di 1X
Da preventivare

Descrizione

Dimensioni: Foro: 280 mm Diametro: 420 mm Spessore: 44 mm Peso: 23,5546 kg


Dettagli

  • EAN-Code : 07316577029256
  • Taric number : 84821090

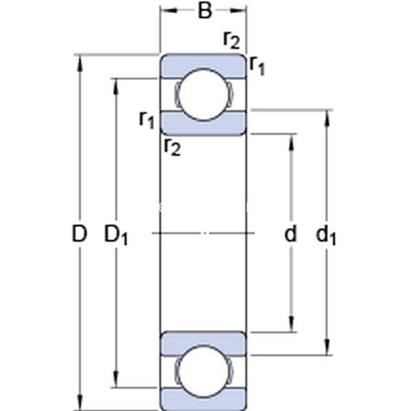
Dimensioni
d 280mm
D 420mm
B 44mm
d1327.2mm
D1374mm
r1,2min.3mm
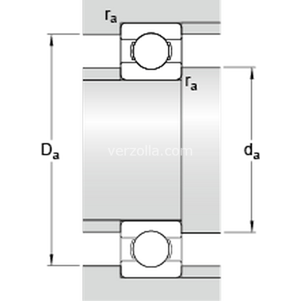
Dimensioni Dello Spallamento
damin.293mm
Damax.407mm
ramax.2.5mm
Dati Di Calcolo
Coefficiente di carico dinamicoC 242kN
Coefficiente di carico statico di baseC0 335kN
Carico limite di faticaPu 7.5kN
Velocità di riferimento  3000r/min
Velocità limite  2600r/min
Fattore di calcolokr 0.02 
Fattore di calcolof0 16.5 
Massa
Massa cuscinetto  23.6kg