Non ci sono articoli nel tuo carrello
Prodotti
SCHEDA ARTICOLO

22205/20 E

CUSCINETTO
Codice: P8290
Disponibilità: Non disponibile
Disponibilità: Disponibile
Marca: SKF
Unità di misura: NR
Quantitativi ammessi: multipli di 1X
Da preventivare

Descrizione

Dimensioni: Foro: 20 mm Diametro: 52 mm Spessore: 18 mm Peso: 0,2003 kg


Dettagli

  • EAN-Code : 07316571722177
  • Taric number : 84823000

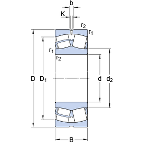
Dimensioni
d 20mm
D 52mm
B 18mm
d231.3mm
D144.2mm
b 3.7mm
K 2mm
r1,2min.1mm
Dimensioni Dello Spallamento
damin.25.6mm
Damax.46.4mm
ramax.1mm
Dati Di Calcolo
Coefficiente di carico dinamicoC 49.9kN
Coefficiente di carico statico di baseC0 44kN
Carico limite di faticaPu 4.75kN
Velocità di riferimento  13000r/min
Velocità limite  17000r/min
Fattore di calcoloe 0.35 
Fattore di calcoloY1 1.9 
Fattore di calcoloY2 2.9 
Fattore di calcoloY0 1.8 
Massa
Massa  0.28kg