Non ci sono articoli nel tuo carrello
Prodotti
SCHEDA ARTICOLO

22230 CCK/W33

CUSCINETTO
Codice: 01507
Disponibilità: disponibile
Disponibilità: 8 disponibile
Marca: SKF
Unità di misura: NR
Quantitativi ammessi: multipli di 1X
€995,42

Descrizione

Dimensioni: Foro: 150 mm Diametro: 270 mm Spessore: 73 mm Peso: 17,45 kg


Dettagli

  • EAN-Code : 07316576602276
  • Taric number : 84823000

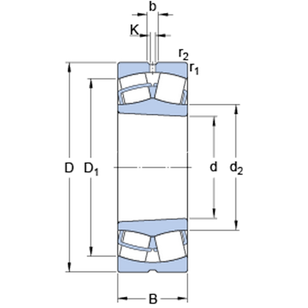
Dimensioni
d 150mm
D 270mm
B 73mm
d2178mm
D1234mm
b 13.9mm
K 7.5mm
r1,2min.3mm

Foro conico, conicità 1:12

Dimensioni Dello Spallamento
Damax.256mm
ramax.2.5mm
Dati Di Calcolo
Coefficiente di carico dinamicoC 898kN
Coefficiente di carico statico di baseC0 1080kN
Carico limite di faticaPu 102kN
Velocità di riferimento  2200r/min
Velocità limite  3000r/min
Fattore di calcoloe 0.26 
Fattore di calcoloY1 2.6 
Fattore di calcoloY2 3.9 
Fattore di calcoloY0 2.5 
Massa
Massa  17.5kg