Non ci sono articoli nel tuo carrello
Prodotti
SCHEDA ARTICOLO

22312 E/C3

CUSCINETTO
Codice: 21980
Disponibilità: disponibile
Disponibilità: 84 disponibile
Marca: SKF
Unità di misura: NR
Quantitativi ammessi: multipli di 1X
€175,64

Descrizione

Dimensioni: Foro: 60 mm Diametro: 130 mm Spessore: 46 mm Peso: 2,9098 kg


Dettagli

  • EAN-Code : 07316576653711
  • Taric number : 84823000

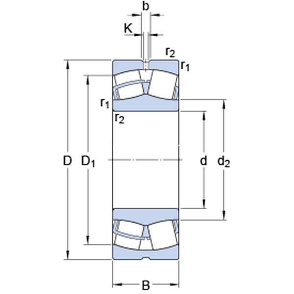
Dimensioni
d 60mm
D 130mm
B 46mm
d277.9mm
D1110mm
b 8.3mm
K 4.5mm
r1,2min.2.1mm
Dimensioni Dello Spallamento
damin.72mm
Damax.118mm
ramax.2mm
Dati Di Calcolo
Coefficiente di carico dinamicoC 325kN
Coefficiente di carico statico di baseC0 335kN
Carico limite di faticaPu 36kN
Velocità di riferimento  4000r/min
Velocità limite  5300r/min
Fattore di calcoloe 0.35 
Fattore di calcoloY1 1.9 
Fattore di calcoloY2 2.9 
Fattore di calcoloY0 1.8 
Massa
Massa  3.1kg