Non ci sono articoli nel tuo carrello
Prodotti
SCHEDA ARTICOLO

22313 E/C4

CUSCINETTO
Codice: P5302
Disponibilità: Non disponibile
Disponibilità: Disponibile
Marca: SKF
Unità di misura: NR
Quantitativi ammessi: multipli di 1X
Da preventivare

Descrizione

Dimensioni: Foro: 65 mm Diametro: 140 mm Spessore: 48 mm Peso: 3,4886 kg


Dettagli

  • EAN-Code : 07316576653834
  • Taric number : 84823000

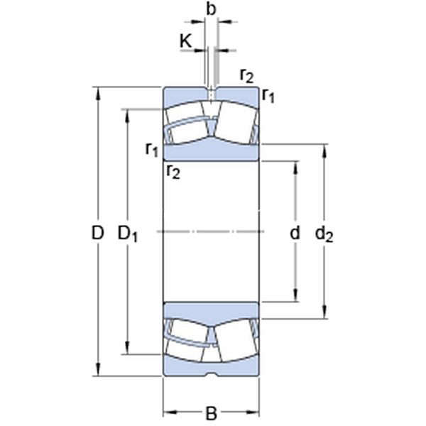
Dimensioni
d 65mm
D 140mm
B 48mm
d281.6mm
D1118mm
b 8.3mm
K 4.5mm
r1,2min.2.1mm
Dimensioni Dello Spallamento
damin.77mm
Damax.128mm
ramax.2mm
Dati Di Calcolo
Coefficiente di carico dinamicoC 357kN
Coefficiente di carico statico di baseC0 360kN
Carico limite di faticaPu 38kN
Velocità di riferimento  3800r/min
Velocità limite  5000r/min
Fattore di calcoloe 0.35 
Fattore di calcoloY1 1.9 
Fattore di calcoloY2 2.9 
Fattore di calcoloY0 1.8 
Massa
Massa  3.75kg