Non ci sono articoli nel tuo carrello
Prodotti
SCHEDA ARTICOLO

22336 CC/W33

CUSCINETTO
Codice: 01652
Disponibilità: Disp. limitata
Disponibilità: 3 disponibile
Marca: SKF
Unità di misura: NR
Quantitativi ammessi: multipli di 1X
Da preventivare

Descrizione

Dimensioni: Foro: 180 mm Diametro: 380 mm Spessore: 126 mm Peso: 67,8 kg


Dettagli

  • EAN-Code :
  • Taric number : 84823000

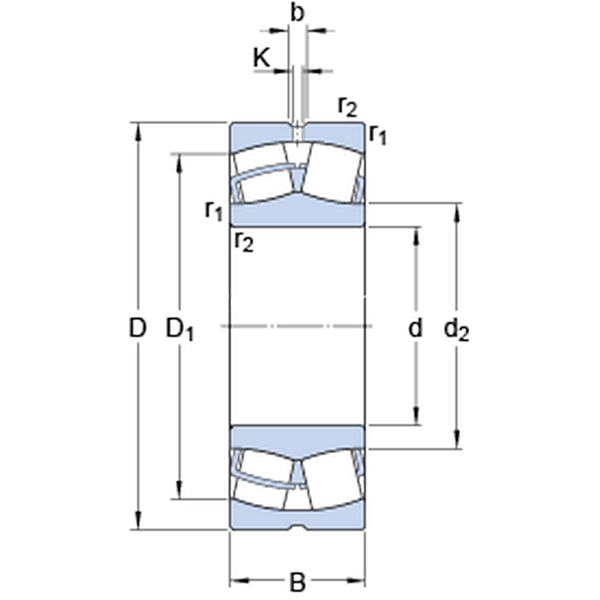
Dimensioni
d 180mm
D 380mm
B 126mm
d2224mm
D1317mm
b 22.3mm
K 12mm
r1,2min.4mm
Dimensioni Dello Spallamento
damin.197mm
Damax.363mm
ramax.3mm
Dati Di Calcolo
Coefficiente di carico dinamicoC 2077kN
Coefficiente di carico statico di baseC0 2450kN
Carico limite di faticaPu 193kN
Velocità di riferimento  1300r/min
Velocità limite  1700r/min
Fattore di calcoloe 0.35 
Fattore di calcoloY1 1.9 
Fattore di calcoloY2 2.9 
Fattore di calcoloY0 1.8 
Massa
Massa  71.5kg