Non ci sono articoli nel tuo carrello
Prodotti
SCHEDA ARTICOLO

22348 CC/C3W33

CUSCINETTO
Codice: T1233
Disponibilità: Non disponibile
Disponibilità: Disponibile
Marca: SKF
Unità di misura: NR
Quantitativi ammessi: multipli di 1X
Da preventivare

Descrizione

Dimensioni: Foro: 240 mm Diametro: 500 mm Spessore: 155 mm


Dettagli

  • EAN-Code : 07316576654800
  • Taric number : 84823000

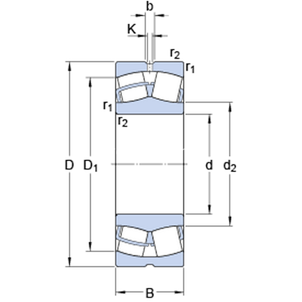
Dimensioni
d 240mm
D 500mm
B 155mm
d2303mm
D1423mm
b 22.3mm
K 12mm
r1,2min.5mm
Dimensioni Dello Spallamento
damin.260mm
Damax.480mm
ramax.4mm
Dati Di Calcolo
Coefficiente di carico dinamicoC 3229kN
Coefficiente di carico statico di baseC0 4000kN
Carico limite di faticaPu 290kN
Velocità di riferimento  950r/min
Velocità limite  1300r/min
Fattore di calcoloe 0.31 
Fattore di calcoloY1 2.2 
Fattore di calcoloY2 3.3 
Fattore di calcoloY0 2.2 
Massa
Massa  155kg