Non ci sono articoli nel tuo carrello
Prodotti
SCHEDA ARTICOLO

22348 CCK/W33

CUSCINETTO
Codice: 44300
Disponibilità: Non disponibile
Disponibilità: Disponibile
Marca: SKF
Unità di misura: NR
Quantitativi ammessi: multipli di 1X
Da preventivare

Descrizione

Dimensioni: Foro: 240 mm Diametro: 500 mm Spessore: 155 mm Peso: 143,1 kg


Dettagli

  • EAN-Code :
  • Taric number : 84823000

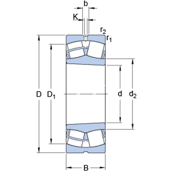
Dimensioni
d 240mm
D 500mm
B 155mm
d2303mm
D1423mm
b 22.3mm
K 12mm
r1,2min.5mm

Foro conico, conicità 1:12

Dimensioni Dello Spallamento
Damax.480mm
ramax.4mm
Dati Di Calcolo
Coefficiente di carico dinamicoC 3229kN
Coefficiente di carico statico di baseC0 4000kN
Carico limite di faticaPu 290kN
Velocità di riferimento  950r/min
Velocità limite  1300r/min
Fattore di calcoloe 0.31 
Fattore di calcoloY1 2.2 
Fattore di calcoloY2 3.3 
Fattore di calcoloY0 2.2 
Massa
Massa  150kg