Non ci sono articoli nel tuo carrello
Prodotti
SCHEDA ARTICOLO

23024 CC/W33

CUSCINETTO
Codice: 05278
Disponibilità: disponibile
Disponibilità: 88 disponibile
Marca: SKF
Unità di misura: NR
Quantitativi ammessi: multipli di 1X
€392,29

Descrizione

Dimensioni: Foro: 120 mm Diametro: 180 mm Spessore: 46 mm Peso: 3,973 kg


Dettagli

  • EAN-Code : 07316576654893
  • Taric number : 84823000

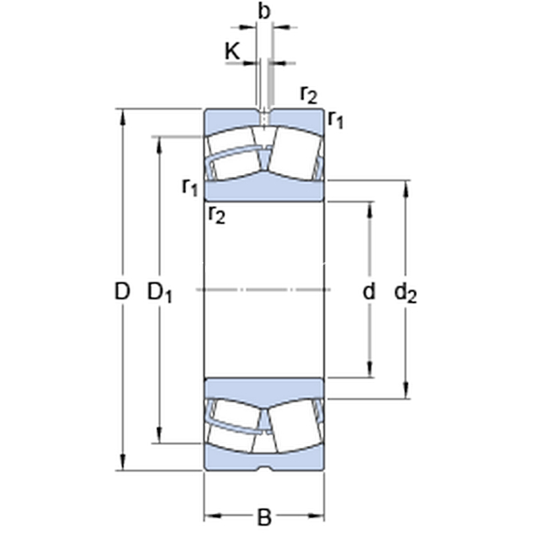
Dimensioni
d 120mm
D 180mm
B 46mm
d2135mm
D1163mm
b 6mm
K 3mm
r1,2min.2mm
Dimensioni Dello Spallamento
damin.129mm
Damax.171mm
ramax.2mm
Dati Di Calcolo
Coefficiente di carico dinamicoC 366kN
Coefficiente di carico statico di baseC0 500kN
Carico limite di faticaPu 52kN
Velocità di riferimento  3200r/min
Velocità limite  4000r/min
Fattore di calcoloe 0.22 
Fattore di calcoloY1 3 
Fattore di calcoloY2 4.6 
Fattore di calcoloY0 2.8 
Massa
Massa  4.2kg