Non ci sono articoli nel tuo carrello
Prodotti
SCHEDA ARTICOLO

23026 CC/C3W33

CUSCINETTO
Codice: 05280
Disponibilità: disponibile
Disponibilità: 7 disponibile
Marca: SKF
Unità di misura: NR
Quantitativi ammessi: multipli di 1X
€522,13

Descrizione

Dimensioni: Foro: 130 mm Diametro: 200 mm Spessore: 52 mm Peso: 5,7 kg


Dettagli

  • EAN-Code :
  • Taric number : 84823000

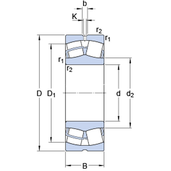
Dimensioni
d 130mm
D 200mm
B 52mm
d2148mm
D1180mm
b 8.3mm
K 4.5mm
r1,2min.2mm
Dimensioni Dello Spallamento
damin.139mm
Damax.191mm
ramax.2mm
Dati Di Calcolo
Coefficiente di carico dinamicoC 452kN
Coefficiente di carico statico di baseC0 610kN
Carico limite di faticaPu 61kN
Velocità di riferimento  2800r/min
Velocità limite  3600r/min
Fattore di calcoloe 0.23 
Fattore di calcoloY1 2.9 
Fattore di calcoloY2 4.4 
Fattore di calcoloY0 2.8 
Massa
Massa  6kg