Non ci sono articoli nel tuo carrello
Prodotti
SCHEDA ARTICOLO

23028 CC/C3W33

CUSCINETTO
Codice: 03129
Disponibilità: Non disponibile
Disponibilità: Disponibile
Marca: SKF
Unità di misura: NR
Quantitativi ammessi: multipli di 1X
€589,77

Descrizione

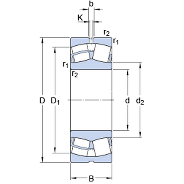
Dimensioni: Foro: 140 mm Diametro: 210 mm Spessore: 53 mm Peso: 6,236 kg


Dettagli

  • EAN-Code : 07316576601651
  • Taric number : 84823000

Dimensioni
d 140mm
D 210mm
B 53mm
d2158mm
D1190mm
b 8.3mm
K 4.5mm
r1,2min.2mm
Dimensioni Dello Spallamento
damin.149mm
Damax.201mm
ramax.2mm
Dati Di Calcolo
Coefficiente di carico dinamicoC 485kN
Coefficiente di carico statico di baseC0 680kN
Carico limite di faticaPu 68kN
Velocità di riferimento  2600r/min
Velocità limite  3400r/min
Fattore di calcoloe 0.22 
Fattore di calcoloY1 3 
Fattore di calcoloY2 4.6 
Fattore di calcoloY0 2.8 
Massa
Massa  6.55kg