Non ci sono articoli nel tuo carrello
Prodotti
SCHEDA ARTICOLO

23030 CC/C3W33

CUSCINETTO
Codice: 01367
Disponibilità: Disp. limitata
Disponibilità: 2 disponibile
Marca: SKF
Unità di misura: NR
Quantitativi ammessi: multipli di 1X
€679,06

Descrizione

Dimensioni: Foro: 150 mm Diametro: 225 mm Spessore: 56 mm Peso: 7,513 kg


Dettagli

  • EAN-Code : 07316576601842
  • Taric number : 84823000

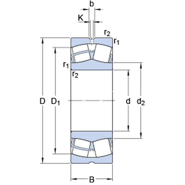
Dimensioni
d 150mm
D 225mm
B 56mm
d2169mm
D1203mm
b 8.3mm
K 4.5mm
r1,2min.2.1mm
Dimensioni Dello Spallamento
damin.161mm
Damax.214mm
ramax.2mm
Dati Di Calcolo
Coefficiente di carico dinamicoC 531kN
Coefficiente di carico statico di baseC0 750kN
Carico limite di faticaPu 73.5kN
Velocità di riferimento  2400r/min
Velocità limite  3200r/min
Fattore di calcoloe 0.22 
Fattore di calcoloY1 3 
Fattore di calcoloY2 4.6 
Fattore di calcoloY0 2.8 
Massa
Massa  7.95kg