Non ci sono articoli nel tuo carrello
Prodotti
SCHEDA ARTICOLO

23032 CC/C3W33

CUSCINETTO
Codice: 01368
Disponibilità: Disp. limitata
Disponibilità: 2 disponibile
Marca: SKF
Unità di misura: NR
Quantitativi ammessi: multipli di 1X
€806,20

Descrizione

Dimensioni: Foro: 160 mm Diametro: 240 mm Spessore: 60 mm Peso: 9,14 kg


Dettagli

  • EAN-Code :
  • Taric number : 84823000

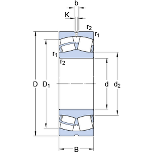
Dimensioni
d 160mm
D 240mm
B 60mm
d2180mm
D1217mm
b 11.1mm
K 6mm
r1,2min.2.1mm
Dimensioni Dello Spallamento
damin.171mm
Damax.229mm
ramax.2mm
Dati Di Calcolo
Coefficiente di carico dinamicoC 614kN
Coefficiente di carico statico di baseC0 880kN
Carico limite di faticaPu 83kN
Velocità di riferimento  2400r/min
Velocità limite  3000r/min
Fattore di calcoloe 0.22 
Fattore di calcoloY1 3 
Fattore di calcoloY2 4.6 
Fattore di calcoloY0 2.8 
Massa
Massa  9.7kg