Non ci sono articoli nel tuo carrello
Prodotti
SCHEDA ARTICOLO

23036 CC/W33

CUSCINETTO
Codice: 01373
Disponibilità: disponibile
Disponibilità: 57 disponibile
Marca: SKF
Unità di misura: NR
Quantitativi ammessi: multipli di 1X
€1099,04

Descrizione

Dimensioni: Foro: 180 mm Diametro: 280 mm Spessore: 74 mm Peso: 16,4 kg


Dettagli

  • EAN-Code : 07316576601361
  • Taric number : 84823000

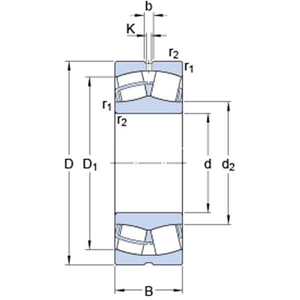
Dimensioni
d 180mm
D 280mm
B 74mm
d2204mm
D1249mm
b 13.9mm
K 7.5mm
r1,2min.2.1mm
Dimensioni Dello Spallamento
damin.191mm
Damax.269mm
ramax.2mm
Dati Di Calcolo
Coefficiente di carico dinamicoC 883kN
Coefficiente di carico statico di baseC0 1250kN
Carico limite di faticaPu 114kN
Velocità di riferimento  2000r/min
Velocità limite  2600r/min
Fattore di calcoloe 0.24 
Fattore di calcoloY1 2.8 
Fattore di calcoloY2 4.2 
Fattore di calcoloY0 2.8 
Massa
Massa  17kg