Non ci sono articoli nel tuo carrello
Prodotti
SCHEDA ARTICOLO

23072 CC/W33

CUSCINETTO
Codice: 87579
Disponibilità: Disp. limitata
Disponibilità: 3 disponibile
Marca: SKF
Unità di misura: NR
Quantitativi ammessi: multipli di 1X
Da preventivare

Descrizione

Dimensioni: Foro: 360 mm Diametro: 540 mm Spessore: 134 mm Peso: 107,9 kg


Dettagli

  • EAN-Code : 07316570821840
  • Taric number : 84823000

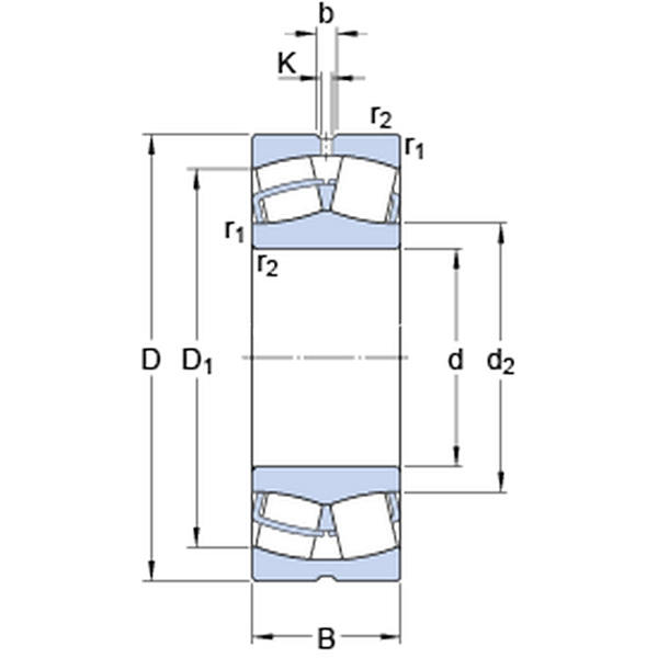
Dimensioni
d 360mm
D 540mm
B 134mm
d2404mm
D1483mm
b 22.3mm
K 12mm
r1,2min.5mm
Dimensioni Dello Spallamento
damin.378mm
Damax.522mm
ramax.4mm
Dati Di Calcolo
Coefficiente di carico dinamicoC 2850kN
Coefficiente di carico statico di baseC0 4800kN
Carico limite di faticaPu 345kN
Velocità di riferimento  950r/min
Velocità limite  1200r/min
Fattore di calcoloe 0.23 
Fattore di calcoloY1 2.9 
Fattore di calcoloY2 4.4 
Fattore di calcoloY0 2.8 
Massa
Massa  110kg