Non ci sono articoli nel tuo carrello
Prodotti
SCHEDA ARTICOLO

23076 CC/W33

CUSCINETTO
Codice: 90574
Disponibilità: Disp. limitata
Disponibilità: 1 disponibile
Marca: SKF
Unità di misura: NR
Quantitativi ammessi: multipli di 1X
Da preventivare

Descrizione

Dimensioni: Foro: 380 mm Diametro: 560 mm Spessore: 135 mm Peso: 111,3 kg


Dettagli

  • EAN-Code :
  • Taric number : 84823000

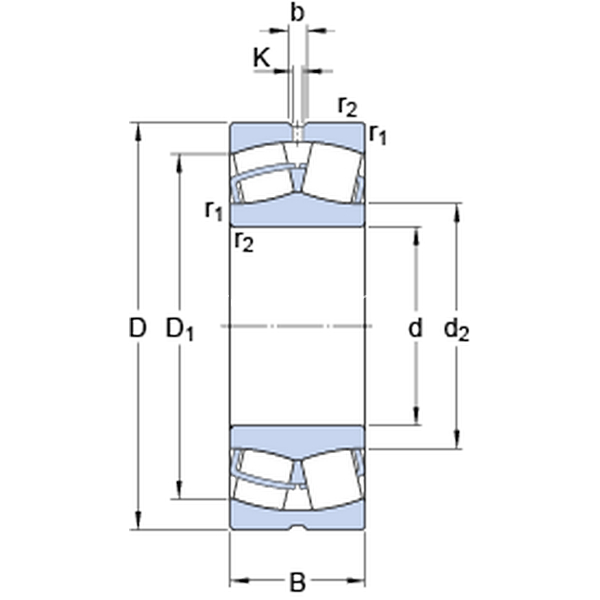
Dimensioni
d 380mm
D 560mm
B 135mm
d2426mm
D1509mm
b 22.3mm
K 12mm
r1,2min.5mm
Dimensioni Dello Spallamento
damin.398mm
Damax.542mm
ramax.4mm
Dati Di Calcolo
Coefficiente di carico dinamicoC 2984kN
Coefficiente di carico statico di baseC0 5000kN
Carico limite di faticaPu 360kN
Velocità di riferimento  900r/min
Velocità limite  1200r/min
Fattore di calcoloe 0.22 
Fattore di calcoloY1 3 
Fattore di calcoloY2 4.6 
Fattore di calcoloY0 2.8 
Massa
Massa  115kg