Non ci sono articoli nel tuo carrello
Prodotti
SCHEDA ARTICOLO

23076 CCK/W33

CUSCINETTO
Codice: 49641
Disponibilità: Disp. limitata
Disponibilità: 3 disponibile
Marca: SKF
Unità di misura: NR
Quantitativi ammessi: multipli di 1X
Da preventivare

Descrizione

Dimensioni: Foro: 380 mm Diametro: 560 mm Spessore: 135 mm Peso: 107,8 kg


Dettagli

  • EAN-Code :
  • Taric number : 84823000

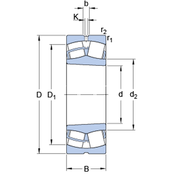
Dimensioni
d 380mm
D 560mm
B 135mm
d2426mm
D1509mm
b 22.3mm
K 12mm
r1,2min.5mm

Foro conico, conicità 1:12

Dimensioni Dello Spallamento
Damax.542mm
ramax.4mm
Dati Di Calcolo
Coefficiente di carico dinamicoC 2984kN
Coefficiente di carico statico di baseC0 5000kN
Carico limite di faticaPu 360kN
Velocità di riferimento  900r/min
Velocità limite  1200r/min
Fattore di calcoloe 0.22 
Fattore di calcoloY1 3 
Fattore di calcoloY2 4.6 
Fattore di calcoloY0 2.8 
Massa
Massa  110kg