Non ci sono articoli nel tuo carrello
Prodotti
SCHEDA ARTICOLO

23080 CC/W33

CUSCINETTO
Codice: 63173
Disponibilità: Disp. limitata
Disponibilità: 3 disponibile
Marca: SKF
Unità di misura: NR
Quantitativi ammessi: multipli di 1X
Da preventivare

Descrizione

Dimensioni: Foro: 400 mm Diametro: 600 mm Spessore: 148 mm Peso: 144,5 kg


Dettagli

  • EAN-Code : 07316571771113
  • Taric number : 84823000

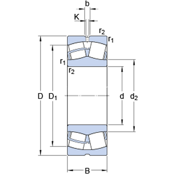
Dimensioni
d 400mm
D 600mm
B 148mm
d2450mm
D1543mm
b 22.3mm
K 12mm
r1,2min.5mm
Dimensioni Dello Spallamento
damin.418mm
Damax.582mm
ramax.4mm
Dati Di Calcolo
Coefficiente di carico dinamicoC 3511kN
Coefficiente di carico statico di baseC0 5850kN
Carico limite di faticaPu 415kN
Velocità di riferimento  850r/min
Velocità limite  1100r/min
Fattore di calcoloe 0.23 
Fattore di calcoloY1 2.9 
Fattore di calcoloY2 4.4 
Fattore di calcoloY0 2.8 
Massa
Massa  150kg