Non ci sono articoli nel tuo carrello
Prodotti
SCHEDA ARTICOLO

23088 CA/W33

CUSCINETTO
Codice: 76306
Disponibilità: Disp. limitata
Disponibilità: 1 disponibile
Marca: SKF
Unità di misura: NR
Quantitativi ammessi: multipli di 1X
Da preventivare

Descrizione

Dimensioni: Foro: 440 mm Diametro: 650 mm Spessore: 157 mm Peso: 179 kg


Dettagli

  • EAN-Code :
  • Taric number : 84823000

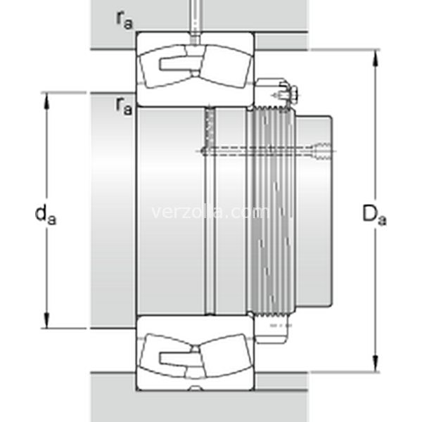
Dimensioni
d 440mm
D 650mm
B 157mm
d2511mm
D1590mm
b 22.3mm
K 12mm
r1,2min.6mm
Dimensioni Dello Spallamento
damin.463mm
Damax.627mm
ramax.5mm
Dati Di Calcolo
Coefficiente di carico dinamicoC 3831kN
Coefficiente di carico statico di baseC0 6550kN
Carico limite di faticaPu 450kN
Velocità di riferimento  560r/min
Velocità limite  1000r/min
Fattore di calcoloe 0.22 
Fattore di calcoloY1 3 
Fattore di calcoloY2 4.6 
Fattore di calcoloY0 2.8 
Massa
Massa  180kg