Non ci sono articoli nel tuo carrello
Prodotti
SCHEDA ARTICOLO

23124 CC/W33

CUSCINETTO
Codice: 01399
Disponibilità: disponibile
Disponibilità: 36 disponibile
Marca: SKF
Unità di misura: NR
Quantitativi ammessi: multipli di 1X
€565,48

Descrizione

Dimensioni: Foro: 120 mm Diametro: 200 mm Spessore: 62 mm Peso: 7,642 kg


Dettagli

  • EAN-Code : 07316576656200
  • Taric number : 84823000

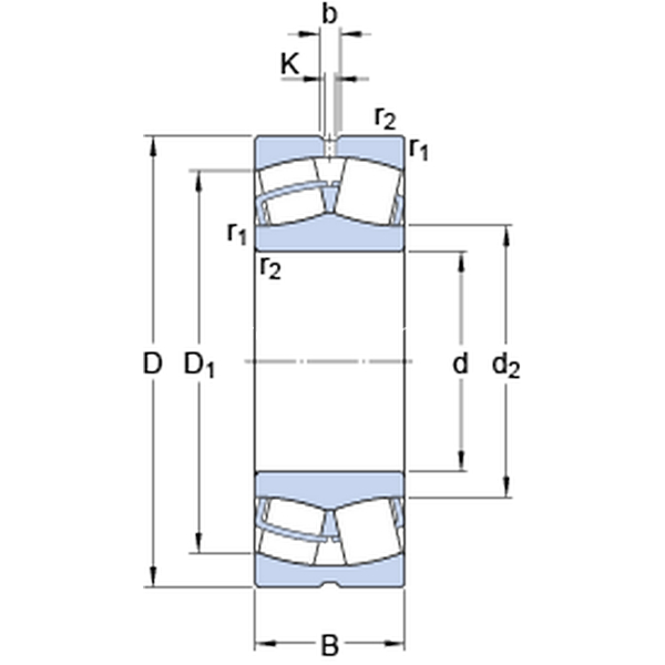
Dimensioni
d 120mm
D 200mm
B 62mm
d2139mm
D1174mm
b 8.3mm
K 4.5mm
r1,2min.2mm
Dimensioni Dello Spallamento
damin.131mm
Damax.189mm
ramax.2mm
Dati Di Calcolo
Coefficiente di carico dinamicoC 534kN
Coefficiente di carico statico di baseC0 695kN
Carico limite di faticaPu 71kN
Velocità di riferimento  2600r/min
Velocità limite  3400r/min
Fattore di calcoloe 0.28 
Fattore di calcoloY1 2.4 
Fattore di calcoloY2 3.6 
Fattore di calcoloY0 2.5 
Massa
Massa  8kg