Non ci sono articoli nel tuo carrello
Prodotti
SCHEDA ARTICOLO

23128 CC/C3W33

CUSCINETTO
Codice: 18742
Disponibilità: disponibile
Disponibilità: 6 disponibile
Marca: SKF
Unità di misura: NR
Quantitativi ammessi: multipli di 1X
€755,47

Descrizione

Dimensioni: Foro: 140 mm Diametro: 225 mm Spessore: 68 mm Peso: 10,234 kg


Dettagli

  • EAN-Code : 07316576603686
  • Taric number : 84823000

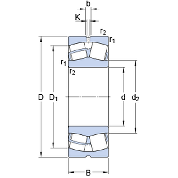
Dimensioni
d 140mm
D 225mm
B 68mm
d2159mm
D1197mm
b 8.3mm
K 4.5mm
r1,2min.2.1mm
Dimensioni Dello Spallamento
damin.152mm
Damax.213mm
ramax.2mm
Dati Di Calcolo
Coefficiente di carico dinamicoC 659kN
Coefficiente di carico statico di baseC0 900kN
Carico limite di faticaPu 88kN
Velocità di riferimento  2200r/min
Velocità limite  2800r/min
Fattore di calcoloe 0.28 
Fattore di calcoloY1 2.4 
Fattore di calcoloY2 3.6 
Fattore di calcoloY0 2.5 
Massa
Massa  10.5kg