Non ci sono articoli nel tuo carrello
Prodotti
SCHEDA ARTICOLO

23130 CC/C4W33

CUSCINETTO
Codice: T6794
Disponibilità: Non disponibile
Disponibilità: Disponibile
Marca: SKF
Unità di misura: NR
Quantitativi ammessi: multipli di 1X
Da preventivare

Descrizione

Dimensioni: Foro: 150 mm Diametro: 250 mm Spessore: 80 mm Peso: 15,72 kg


Dettagli

  • EAN-Code : 07316576602689
  • Taric number : 84823000

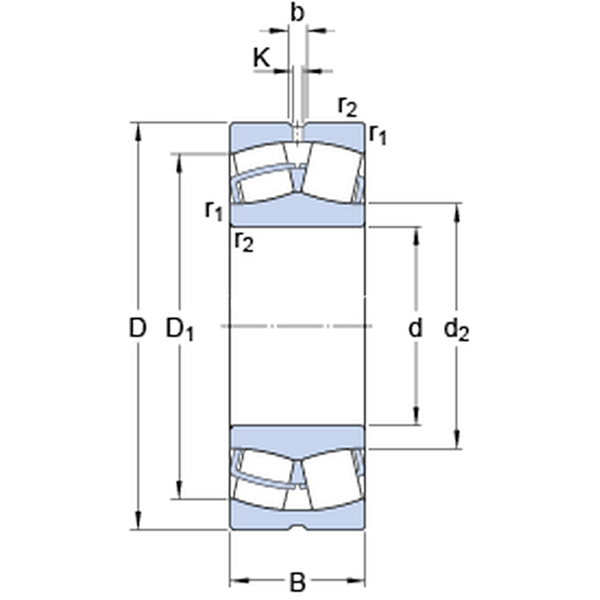
Dimensioni
d 150mm
D 250mm
B 80mm
d2172mm
D1216mm
b 11.1mm
K 6mm
r1,2min.2.1mm
Dimensioni Dello Spallamento
damin.162mm
Damax.238mm
ramax.2mm
Dati Di Calcolo
Coefficiente di carico dinamicoC 883kN
Coefficiente di carico statico di baseC0 1200kN
Carico limite di faticaPu 114kN
Velocità di riferimento  2000r/min
Velocità limite  2600r/min
Fattore di calcoloe 0.3 
Fattore di calcoloY1 2.3 
Fattore di calcoloY2 3.4 
Fattore di calcoloY0 2.2 
Massa
Massa  16kg