Non ci sono articoli nel tuo carrello
Prodotti
SCHEDA ARTICOLO

23132 CC/W33

CUSCINETTO
Codice: 01409
Disponibilità: disponibile
Disponibilità: 11 disponibile
Marca: SKF
Unità di misura: NR
Quantitativi ammessi: multipli di 1X
€1131,98

Descrizione

Dimensioni: Foro: 160 mm Diametro: 270 mm Spessore: 86 mm Peso: 19,8 kg


Dettagli

  • EAN-Code :
  • Taric number : 84823000

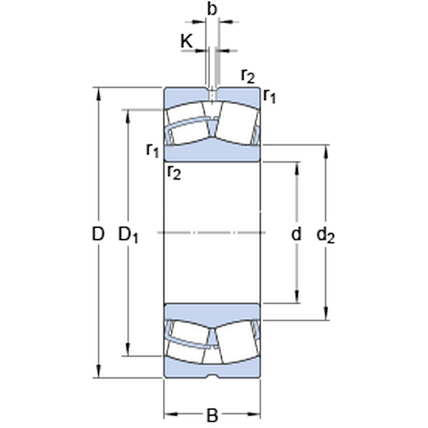
Dimensioni
d 160mm
D 270mm
B 86mm
d2184mm
D1234mm
b 13.9mm
K 7.5mm
r1,2min.2.1mm
Dimensioni Dello Spallamento
damin.172mm
Damax.258mm
ramax.2mm
Dati Di Calcolo
Coefficiente di carico dinamicoC 1029kN
Coefficiente di carico statico di baseC0 1370kN
Carico limite di faticaPu 129kN
Velocità di riferimento  1900r/min
Velocità limite  2400r/min
Fattore di calcoloe 0.3 
Fattore di calcoloY1 2.3 
Fattore di calcoloY2 3.4 
Fattore di calcoloY0 2.2 
Massa
Massa  20.5kg