Non ci sono articoli nel tuo carrello
Prodotti
SCHEDA ARTICOLO

23136 CC/W33

CUSCINETTO
Codice: 01413
Disponibilità: disponibile
Disponibilità: 6 disponibile
Marca: SKF
Unità di misura: NR
Quantitativi ammessi: multipli di 1X
€1539,36

Descrizione

Dimensioni: Foro: 180 mm Diametro: 300 mm Spessore: 96 mm Peso: 27,06 kg


Dettagli

  • EAN-Code : 07316576602733
  • Taric number : 84823000

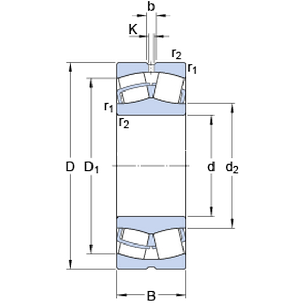
Dimensioni
d 180mm
D 300mm
B 96mm
d2207mm
D1259mm
b 13.9mm
K 7.5mm
r1,2min.3mm
Dimensioni Dello Spallamento
damin.194mm
Damax.286mm
ramax.2.5mm
Dati Di Calcolo
Coefficiente di carico dinamicoC 1263kN
Coefficiente di carico statico di baseC0 1760kN
Carico limite di faticaPu 160kN
Velocità di riferimento  1700r/min
Velocità limite  2200r/min
Fattore di calcoloe 0.3 
Fattore di calcoloY1 2.3 
Fattore di calcoloY2 3.4 
Fattore di calcoloY0 2.2 
Massa
Massa  28kg