Non ci sono articoli nel tuo carrello
Prodotti
SCHEDA ARTICOLO

23140 CC/C4W33

CUSCINETTO
Codice: 82563
Disponibilità: Disp. limitata
Disponibilità: 4 disponibile
Marca: SKF
Unità di misura: NR
Quantitativi ammessi: multipli di 1X
Da preventivare

Descrizione

Dimensioni: Foro: 200 mm Diametro: 340 mm Spessore: 112 mm Peso: 42,5 kg


Dettagli

  • EAN-Code : 07316576603839
  • Taric number : 84823000

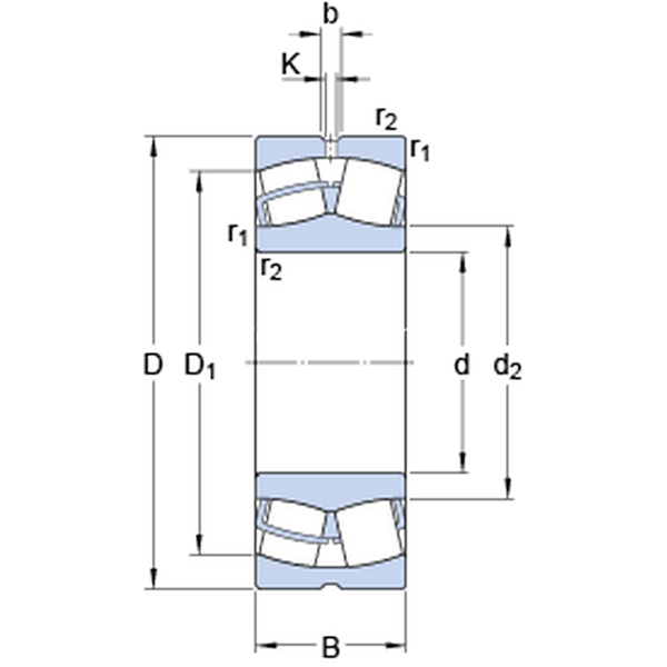
Dimensioni
d 200mm
D 340mm
B 112mm
d2231mm
D1293mm
b 16.7mm
K 9mm
r1,2min.3mm
Dimensioni Dello Spallamento
damin.214mm
Damax.326mm
ramax.2.5mm
Dati Di Calcolo
Coefficiente di carico dinamicoC 1665kN
Coefficiente di carico statico di baseC0 2360kN
Carico limite di faticaPu 204kN
Velocità di riferimento  1500r/min
Velocità limite  1900r/min
Fattore di calcoloe 0.31 
Fattore di calcoloY1 2.2 
Fattore di calcoloY2 3.3 
Fattore di calcoloY0 2.2 
Massa
Massa  43kg