Non ci sono articoli nel tuo carrello
Prodotti
SCHEDA ARTICOLO

23148 CC/W33

CUSCINETTO
Codice: 39944
Disponibilità: disponibile
Disponibilità: 6 disponibile
Marca: SKF
Unità di misura: NR
Quantitativi ammessi: multipli di 1X
€2769,94

Descrizione

Dimensioni: Foro: 240 mm Diametro: 400 mm Spessore: 128 mm Peso: 63,85 kg


Dettagli

  • EAN-Code : 07316576602771
  • Taric number : 84823000

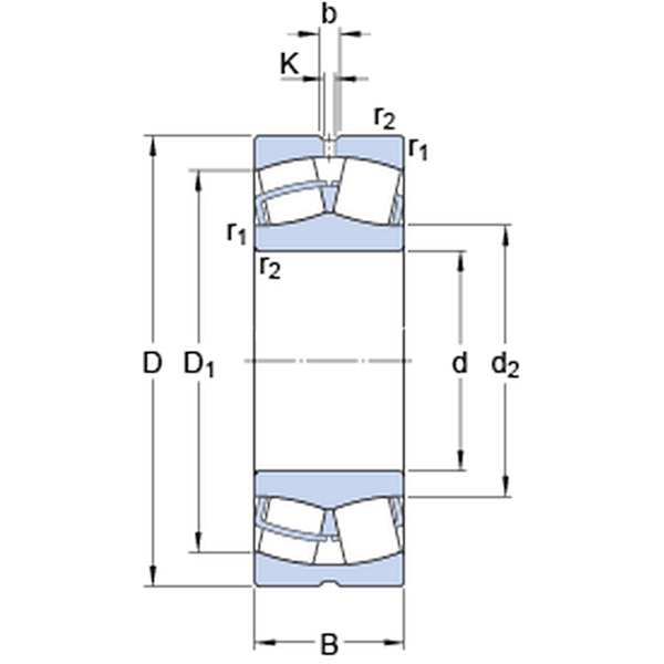
Dimensioni
d 240mm
D 400mm
B 128mm
d2277mm
D1348mm
b 16.7mm
K 9mm
r1,2min.4mm
Dimensioni Dello Spallamento
damin.257mm
Damax.383mm
ramax.3mm
Dati Di Calcolo
Coefficiente di carico dinamicoC 2187kN
Coefficiente di carico statico di baseC0 3200kN
Carico limite di faticaPu 255kN
Velocità di riferimento  1200r/min
Velocità limite  1600r/min
Fattore di calcoloe 0.3 
Fattore di calcoloY1 2.3 
Fattore di calcoloY2 3.4 
Fattore di calcoloY0 2.2 
Massa
Massa  66.5kg