Non ci sono articoli nel tuo carrello
Prodotti
SCHEDA ARTICOLO

23152 CC/C3W33

CUSCINETTO
Codice: 40543
Disponibilità: Disp. limitata
Disponibilità: 5 disponibile
Marca: SKF
Unità di misura: NR
Quantitativi ammessi: multipli di 1X
Da preventivare

Descrizione

Dimensioni: Foro: 260 mm Diametro: 440 mm Spessore: 144 mm Peso: 88,3 kg


Dettagli

  • EAN-Code :
  • Taric number : 84823000

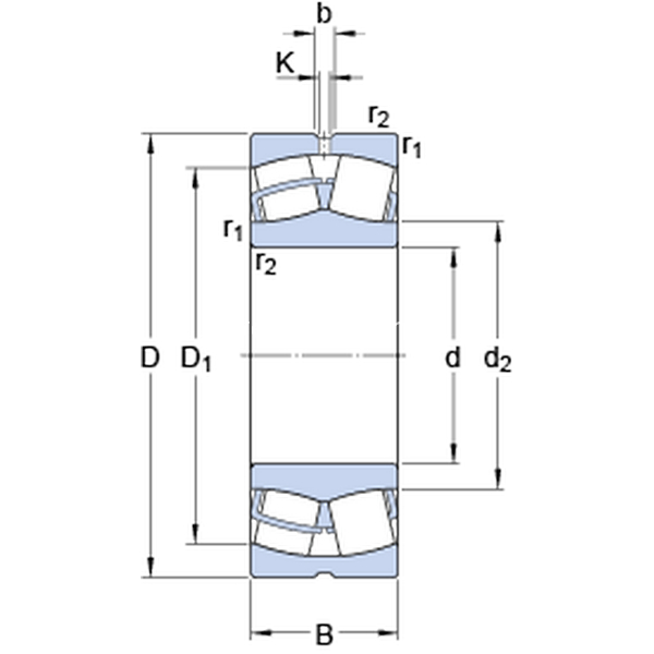
Dimensioni
d 260mm
D 440mm
B 144mm
d2301mm
D1380mm
b 16.7mm
K 9mm
r1,2min.4mm
Dimensioni Dello Spallamento
damin.277mm
Damax.423mm
ramax.3mm
Dati Di Calcolo
Coefficiente di carico dinamicoC 2664kN
Coefficiente di carico statico di baseC0 3900kN
Carico limite di faticaPu 290kN
Velocità di riferimento  1100r/min
Velocità limite  1400r/min
Fattore di calcoloe 0.31 
Fattore di calcoloY1 2.2 
Fattore di calcoloY2 3.3 
Fattore di calcoloY0 2.2 
Massa
Massa  90.5kg