Non ci sono articoli nel tuo carrello
Prodotti
SCHEDA ARTICOLO

23156 CC/W33

CUSCINETTO
Codice: 05301
Disponibilità: Disp. limitata
Disponibilità: 5 disponibile
Marca: SKF
Unità di misura: NR
Quantitativi ammessi: multipli di 1X
Da preventivare

Descrizione

Dimensioni: Foro: 280 mm Diametro: 460 mm Spessore: 146 mm


Dettagli

  • EAN-Code :
  • Taric number : 84823000

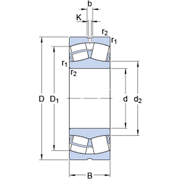
Dimensioni
d 280mm
D 460mm
B 146mm
d2321mm
D1401mm
b 16.7mm
K 9mm
r1,2min.5mm
Dimensioni Dello Spallamento
damin.300mm
Damax.440mm
ramax.4mm
Dati Di Calcolo
Coefficiente di carico dinamicoC 2784kN
Coefficiente di carico statico di baseC0 4250kN
Carico limite di faticaPu 335kN
Velocità di riferimento  1000r/min
Velocità limite  1300r/min
Fattore di calcoloe 0.3 
Fattore di calcoloY1 2.3 
Fattore di calcoloY2 3.4 
Fattore di calcoloY0 2.2 
Massa
Massa  97kg