Non ci sono articoli nel tuo carrello
Prodotti
SCHEDA ARTICOLO

23160 CC/W33

CUSCINETTO
Codice: K6074
Disponibilità: Disp. limitata
Disponibilità: 2 disponibile
Marca: SKF
Unità di misura: NR
Quantitativi ammessi: multipli di 1X
Da preventivare

Descrizione

Dimensioni: Foro: 300 mm Diametro: 500 mm Spessore: 160 mm Peso: 127 kg


Dettagli

  • EAN-Code : 07316570903416
  • Taric number : 84823000

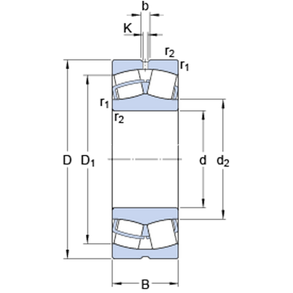
Dimensioni
d 300mm
D 500mm
B 160mm
d2345mm
D1434mm
b 16.7mm
K 9mm
r1,2min.5mm
Dimensioni Dello Spallamento
damin.320mm
Damax.480mm
ramax.4mm
Dati Di Calcolo
Coefficiente di carico dinamicoC 3368kN
Coefficiente di carico statico di baseC0 5100kN
Carico limite di faticaPu 380kN
Velocità di riferimento  950r/min
Velocità limite  1200r/min
Fattore di calcoloe 0.3 
Fattore di calcoloY1 2.3 
Fattore di calcoloY2 3.4 
Fattore di calcoloY0 2.2 
Massa
Massa  125kg