Non ci sono articoli nel tuo carrello
Prodotti
SCHEDA ARTICOLO

23160 CCK/C4W33

CUSCINETTO
Codice: C9154
Disponibilità: Disp. limitata
Disponibilità: 2 disponibile
Marca: SKF
Unità di misura: NR
Quantitativi ammessi: multipli di 1X
Da preventivare

Descrizione

Dimensioni: Foro: 300 mm Diametro: 500 mm Spessore: 160 mm Peso: 123,2 kg


Dettagli

  • EAN-Code :
  • Taric number : 84823000

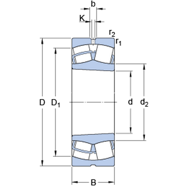
Dimensioni
d 300mm
D 500mm
B 160mm
d2345mm
D1434mm
b 16.7mm
K 9mm
r1,2min.5mm

Foro conico, conicità 1:12

Dimensioni Dello Spallamento
Damax.480mm
ramax.4mm
Dati Di Calcolo
Coefficiente di carico dinamicoC 3368kN
Coefficiente di carico statico di baseC0 5100kN
Carico limite di faticaPu 380kN
Velocità di riferimento  950r/min
Velocità limite  1200r/min
Fattore di calcoloe 0.3 
Fattore di calcoloY1 2.3 
Fattore di calcoloY2 3.4 
Fattore di calcoloY0 2.2 
Massa
Massa  120kg