Non ci sono articoli nel tuo carrello
Prodotti
SCHEDA ARTICOLO

23164 CC/C3W33

CUSCINETTO
Codice: 21660
Disponibilità: Disp. limitata
Disponibilità: 4 disponibile
Marca: SKF
Unità di misura: NR
Quantitativi ammessi: multipli di 1X
Da preventivare

Descrizione

Dimensioni: Foro: 320 mm Diametro: 540 mm Spessore: 176 mm Peso: 165,3 kg


Dettagli

  • EAN-Code : 07316570016420
  • Taric number : 84823000

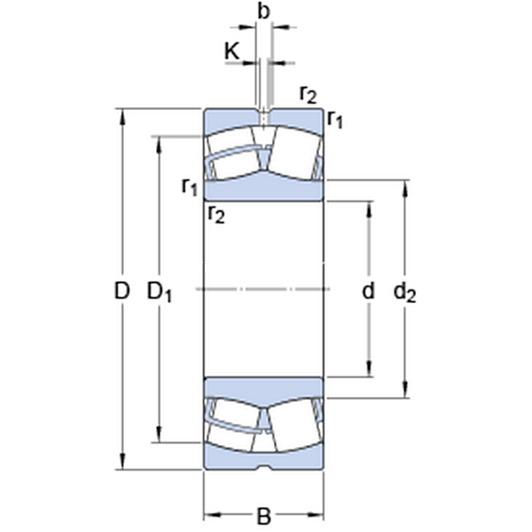
Dimensioni
d 320mm
D 540mm
B 176mm
d2370mm
D1465mm
b 22.3mm
K 12mm
r1,2min.5mm
Dimensioni Dello Spallamento
damin.340mm
Damax.520mm
ramax.4mm
Dati Di Calcolo
Coefficiente di carico dinamicoC 3923kN
Coefficiente di carico statico di baseC0 6000kN
Carico limite di faticaPu 440kN
Velocità di riferimento  850r/min
Velocità limite  1100r/min
Fattore di calcoloe 0.31 
Fattore di calcoloY1 2.2 
Fattore di calcoloY2 3.3 
Fattore di calcoloY0 2.2 
Massa
Massa  165kg