Non ci sono articoli nel tuo carrello
Prodotti
SCHEDA ARTICOLO

23164 CCK/C3W33

CUSCINETTO
Codice: 42275
Disponibilità: Disp. limitata
Disponibilità: 1 disponibile
Marca: SKF
Unità di misura: NR
Quantitativi ammessi: multipli di 1X
Da preventivare

Descrizione

Dimensioni: Foro: 320 mm Diametro: 540 mm Spessore: 176 mm Peso: 162 kg


Dettagli

  • EAN-Code : 07316570114089
  • Taric number : 84823000

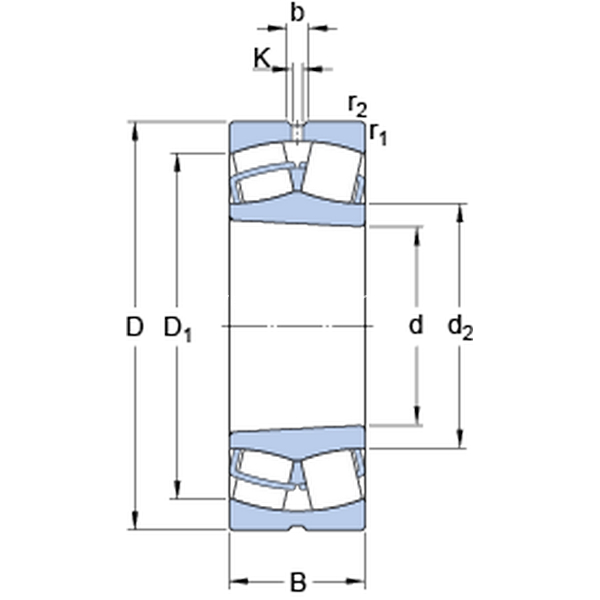
Dimensioni
d 320mm
D 540mm
B 176mm
d2370mm
D1465mm
b 22.3mm
K 12mm
r1,2min.5mm

Foro conico, conicità 1:12

Dimensioni Dello Spallamento
Damax.520mm
ramax.4mm
Dati Di Calcolo
Coefficiente di carico dinamicoC 3923kN
Coefficiente di carico statico di baseC0 6000kN
Carico limite di faticaPu 440kN
Velocità di riferimento  850r/min
Velocità limite  1100r/min
Fattore di calcoloe 0.31 
Fattore di calcoloY1 2.2 
Fattore di calcoloY2 3.3 
Fattore di calcoloY0 2.2 
Massa
Massa  160kg