Non ci sono articoli nel tuo carrello
Prodotti
SCHEDA ARTICOLO

23168 CC/W33

CUSCINETTO
Codice: G3151
Disponibilità: Disp. limitata
Disponibilità: 1 disponibile
Marca: SKF
Unità di misura: NR
Quantitativi ammessi: multipli di 1X
Da preventivare

Descrizione

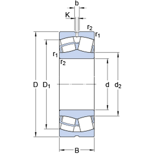
Dimensioni: Foro: 340 mm Diametro: 580 mm Spessore: 190 mm


Dettagli

  • EAN-Code :
  • Taric number : 84823000

Dimensioni
d 340mm
D 580mm
B 190mm
d2394mm
D1498mm
b 22.3mm
K 12mm
r1,2min.5mm
Dimensioni Dello Spallamento
damin.360mm
Damax.560mm
ramax.4mm
Dati Di Calcolo
Coefficiente di carico dinamicoC 4445kN
Coefficiente di carico statico di baseC0 6800kN
Carico limite di faticaPu 480kN
Velocità di riferimento  800r/min
Velocità limite  1000r/min
Fattore di calcoloe 0.31 
Fattore di calcoloY1 2.2 
Fattore di calcoloY2 3.3 
Fattore di calcoloY0 2.2 
Massa
Massa  210kg