Non ci sono articoli nel tuo carrello
Prodotti
SCHEDA ARTICOLO

23184 CJ/W33

CUSCINETTO
Codice: Q3012
Disponibilità: Non disponibile
Disponibilità: Disponibile
Marca: SKF
Unità di misura: NR
Quantitativi ammessi: multipli di 1X
Da preventivare

Descrizione

Dimensioni: Foro: 420 mm Diametro: 700 mm Spessore: 224 mm


Dettagli

  • EAN-Code : 07316570235654
  • Taric number : 84823000

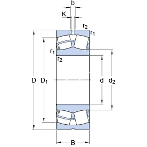
Dimensioni
d 420mm
D 700mm
B 224mm
d2483mm
D1607mm
b 22.3mm
K 12mm
r1,2min.6mm
Dimensioni Dello Spallamento
damin.446mm
Damax.674mm
ramax.5mm
Dati Di Calcolo
Coefficiente di carico dinamicoC 5919kN
Coefficiente di carico statico di baseC0 9300kN
Carico limite di faticaPu 620kN
Velocità di riferimento  480r/min
Velocità limite  900r/min
Fattore di calcoloe 0.3 
Fattore di calcoloY1 2.3 
Fattore di calcoloY2 3.4 
Fattore di calcoloY0 2.2 
Massa
Massa  350kg