Non ci sono articoli nel tuo carrello
Prodotti
SCHEDA ARTICOLO

23228 CC/C4W33

CUSCINETTO
Codice: 55808
Disponibilità: disponibile
Disponibilità: 8 disponibile
Marca: SKF
Unità di misura: NR
Quantitativi ammessi: multipli di 1X
Da preventivare

Descrizione

Dimensioni: Foro: 140 mm Diametro: 250 mm Spessore: 88 mm Peso: 18,5 kg


Dettagli

  • EAN-Code : 07316576601149
  • Taric number : 84823000

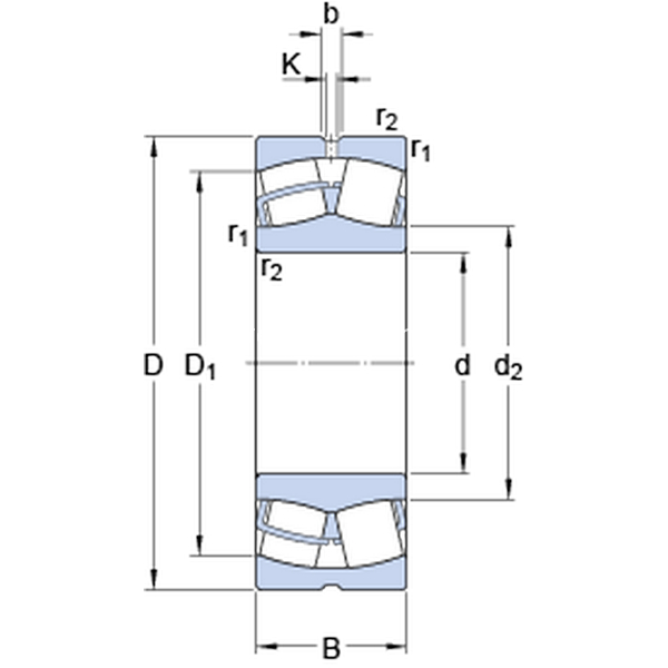
Dimensioni
d 140mm
D 250mm
B 88mm
d2165mm
D1212mm
b 11.1mm
K 6mm
r1,2min.3mm
Dimensioni Dello Spallamento
damin.154mm
Damax.236mm
ramax.2.5mm
Dati Di Calcolo
Coefficiente di carico dinamicoC 962kN
Coefficiente di carico statico di baseC0 1250kN
Carico limite di faticaPu 120kN
Velocità di riferimento  1700r/min
Velocità limite  2400r/min
Fattore di calcoloe 0.33 
Fattore di calcoloY1 2 
Fattore di calcoloY2 3 
Fattore di calcoloY0 2 
Massa
Massa  19kg