Non ci sono articoli nel tuo carrello
Prodotti
SCHEDA ARTICOLO

23230 CC/C4W33

CUSCINETTO
Codice: 09023
Disponibilità: Non disponibile
Disponibilità: Disponibile
Marca: SKF
Unità di misura: NR
Quantitativi ammessi: multipli di 1X
Da preventivare

Descrizione

Dimensioni: Foro: 150 mm Diametro: 270 mm Spessore: 96 mm Peso: 23,4 kg


Dettagli

  • EAN-Code : 07316571323626
  • Taric number : 84823000

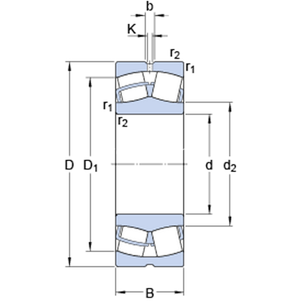
Dimensioni
d 150mm
D 270mm
B 96mm
d2175mm
D1228mm
b 11.1mm
K 6mm
r1,2min.3mm
Dimensioni Dello Spallamento
damin.164mm
Damax.256mm
ramax.2.5mm
Dati Di Calcolo
Coefficiente di carico dinamicoC 1129kN
Coefficiente di carico statico di baseC0 1460kN
Carico limite di faticaPu 137kN
Velocità di riferimento  1600r/min
Velocità limite  2200r/min
Fattore di calcoloe 0.35 
Fattore di calcoloY1 1.9 
Fattore di calcoloY2 2.9 
Fattore di calcoloY0 1.8 
Massa
Massa  24.5kg