Non ci sono articoli nel tuo carrello
Prodotti
SCHEDA ARTICOLO

23236 CC/W33

CUSCINETTO
Codice: 39943
Disponibilità: Non disponibile
Disponibilità: Disponibile
Marca: SKF
Unità di misura: NR
Quantitativi ammessi: multipli di 1X
€2340,97

Descrizione

Dimensioni: Foro: 180 mm Diametro: 320 mm Spessore: 112 mm Peso: 37,85 kg


Dettagli

  • EAN-Code : 07316576657481
  • Taric number : 84823000

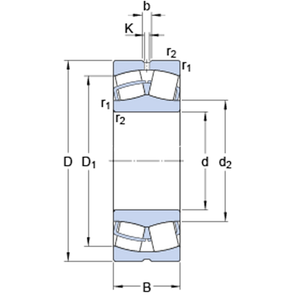
Dimensioni
d 180mm
D 320mm
B 112mm
d2211mm
D1271mm
b 13.9mm
K 7.5mm
r1,2min.4mm
Dimensioni Dello Spallamento
damin.197mm
Damax.303mm
ramax.3mm
Dati Di Calcolo
Coefficiente di carico dinamicoC 1557kN
Coefficiente di carico statico di baseC0 2120kN
Carico limite di faticaPu 186kN
Velocità di riferimento  1300r/min
Velocità limite  1900r/min
Fattore di calcoloe 0.35 
Fattore di calcoloY1 1.9 
Fattore di calcoloY2 2.9 
Fattore di calcoloY0 1.8 
Massa
Massa  39.5kg