Non ci sono articoli nel tuo carrello
Prodotti
SCHEDA ARTICOLO

23248 CCK/W33

CUSCINETTO
Codice: T1148
Disponibilità: Disp. limitata
Disponibilità: 1 disponibile
Marca: SKF
Unità di misura: NR
Quantitativi ammessi: multipli di 1X
Da preventivare

Descrizione

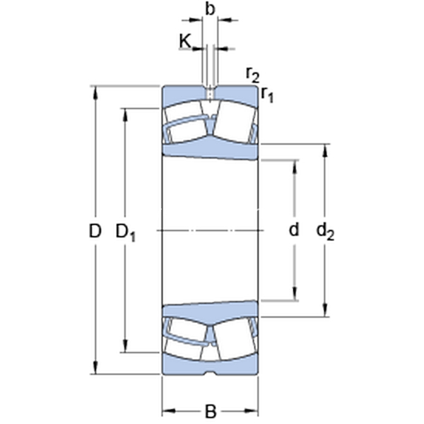
Dimensioni: Foro: 240 mm Diametro: 440 mm Spessore: 160 mm Peso: 104 kg


Dettagli

  • EAN-Code : 07316570649673
  • Taric number : 84823000

Dimensioni
d 240mm
D 440mm
B 160mm
d2286mm
D1374mm
b 22.3mm
K 12mm
r1,2min.4mm

Foro conico, conicità 1:12

Dimensioni Dello Spallamento
Damax.423mm
ramax.3mm
Dati Di Calcolo
Coefficiente di carico dinamicoC 3042kN
Coefficiente di carico statico di baseC0 4300kN
Carico limite di faticaPu 345kN
Velocità di riferimento  950r/min
Velocità limite  1300r/min
Fattore di calcoloe 0.35 
Fattore di calcoloY1 1.9 
Fattore di calcoloY2 2.9 
Fattore di calcoloY0 1.8 
Massa
Massa  105kg