Non ci sono articoli nel tuo carrello
Prodotti
SCHEDA ARTICOLO

23256 CC/W33

CUSCINETTO
Codice: T1151
Disponibilità: Disp. limitata
Disponibilità: 2 disponibile
Marca: SKF
Unità di misura: NR
Quantitativi ammessi: multipli di 1X
Da preventivare

Descrizione

Dimensioni: Foro: 280 mm Diametro: 500 mm Spessore: 176 mm Peso: 148 kg


Dettagli

  • EAN-Code : 07316571742328
  • Taric number : 84823000

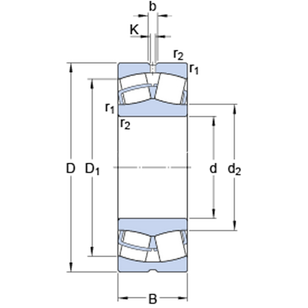
Dimensioni
d 280mm
D 500mm
B 176mm
d2332mm
D1429mm
b 22.3mm
K 12mm
r1,2min.5mm
Dimensioni Dello Spallamento
damin.300mm
Damax.480mm
ramax.4mm
Dati Di Calcolo
Coefficiente di carico dinamicoC 3425kN
Coefficiente di carico statico di baseC0 4900kN
Carico limite di faticaPu 365kN
Velocità di riferimento  800r/min
Velocità limite  1100r/min
Fattore di calcoloe 0.35 
Fattore di calcoloY1 1.9 
Fattore di calcoloY2 2.9 
Fattore di calcoloY0 1.8 
Massa
Massa  150kg