Non ci sono articoli nel tuo carrello
Prodotti
SCHEDA ARTICOLO

23988 CC/W33

CUSCINETTO
Codice: 90557
Disponibilità: Disp. limitata
Disponibilità: 3 disponibile
Marca: SKF
Unità di misura: NR
Quantitativi ammessi: multipli di 1X
Da preventivare

Descrizione

Dimensioni: Foro: 440 mm Diametro: 600 mm Spessore: 118 mm


Dettagli

  • EAN-Code : 07316571876221
  • Taric number : 84823000

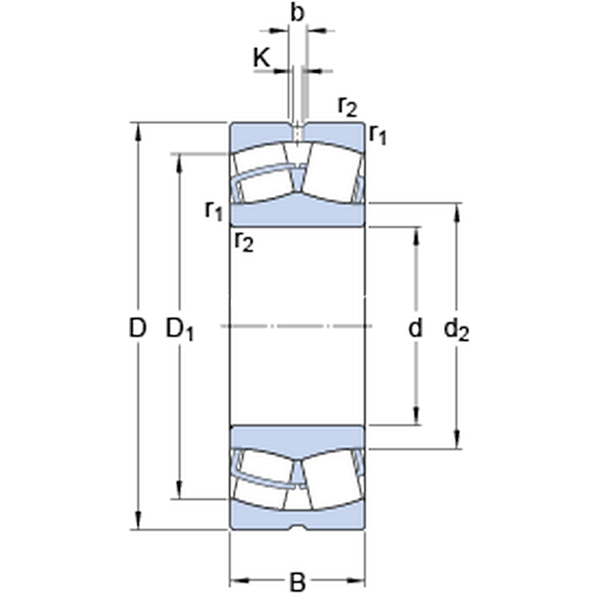
Dimensioni
d 440mm
D 600mm
B 118mm
d2484mm
D1553mm
b 16.7mm
K 9mm
r1,2min.4mm
Dimensioni Dello Spallamento
damin.455mm
Damax.585mm
ramax.3mm
Dati Di Calcolo
Coefficiente di carico dinamicoC 2506kN
Coefficiente di carico statico di baseC0 4900kN
Carico limite di faticaPu 345kN
Velocità di riferimento  950r/min
Velocità limite  1000r/min
Fattore di calcoloe 0.16 
Fattore di calcoloY1 4.2 
Fattore di calcoloY2 6.3 
Fattore di calcoloY0 4 
Massa
Massa  99.5kg