Non ci sono articoli nel tuo carrello
Prodotti
SCHEDA ARTICOLO

24128 CC/C3W33

CUSCINETTO
Codice: 05318
Disponibilità: disponibile
Disponibilità: 43 disponibile
Marca: SKF
Unità di misura: NR
Quantitativi ammessi: multipli di 1X
€1082,48

Descrizione

Dimensioni: Foro: 140 mm Diametro: 225 mm Spessore: 85 mm Peso: 12,7 kg


Dettagli

  • EAN-Code :
  • Taric number : 84823000

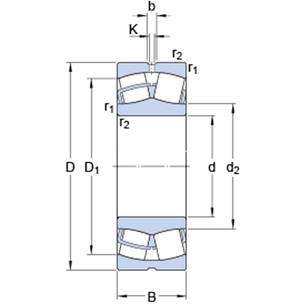
Dimensioni
d 140mm
D 225mm
B 85mm
d2156mm
D1193mm
b 8.3mm
K 4.5mm
r1,2min.2.1mm
Dimensioni Dello Spallamento
damin.152mm
Damax.213mm
ramax.2mm
Dati Di Calcolo
Coefficiente di carico dinamicoC 796kN
Coefficiente di carico statico di baseC0 1160kN
Carico limite di faticaPu 112kN
Velocità di riferimento  1600r/min
Velocità limite  2200r/min
Fattore di calcoloe 0.35 
Fattore di calcoloY1 1.9 
Fattore di calcoloY2 2.9 
Fattore di calcoloY0 1.8 
Massa
Massa  13.5kg