Non ci sono articoli nel tuo carrello
Prodotti
SCHEDA ARTICOLO

24138 CC/W33

CUSCINETTO
Codice: M4691
Disponibilità: Disp. limitata
Disponibilità: 2 disponibile
Marca: SKF
Unità di misura: NR
Quantitativi ammessi: multipli di 1X
€2116,21

Descrizione

Dimensioni: Foro: 190 mm Diametro: 320 mm Spessore: 128 mm Peso: 41,5 kg


Dettagli

  • EAN-Code :
  • Taric number : 84823000

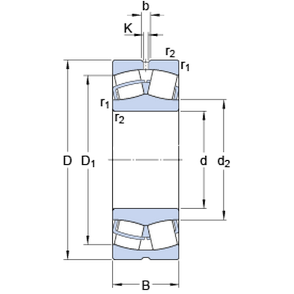
Dimensioni
d 190mm
D 320mm
B 128mm
d2215mm
D1268mm
b 11.1mm
K 6mm
r1,2min.3mm
Dimensioni Dello Spallamento
damin.204mm
Damax.306mm
ramax.2.5mm
Dati Di Calcolo
Coefficiente di carico dinamicoC 1652kN
Coefficiente di carico statico di baseC0 2500kN
Carico limite di faticaPu 212kN
Velocità di riferimento  1100r/min
Velocità limite  1500r/min
Fattore di calcoloe 0.4 
Fattore di calcoloY1 1.7 
Fattore di calcoloY2 2.5 
Fattore di calcoloY0 1.6 
Massa
Massa  43kg