Non ci sono articoli nel tuo carrello
Prodotti
SCHEDA ARTICOLO

24144 CC/C3W33

CUSCINETTO
Codice: 01439
Disponibilità: Disp. limitata
Disponibilità: 4 disponibile
Marca: SKF
Unità di misura: NR
Quantitativi ammessi: multipli di 1X
Da preventivare

Descrizione

Dimensioni: Foro: 220 mm Diametro: 370 mm Spessore: 150 mm Peso: 65,9 kg


Dettagli

  • EAN-Code : 07316577298454
  • Taric number : 84823000

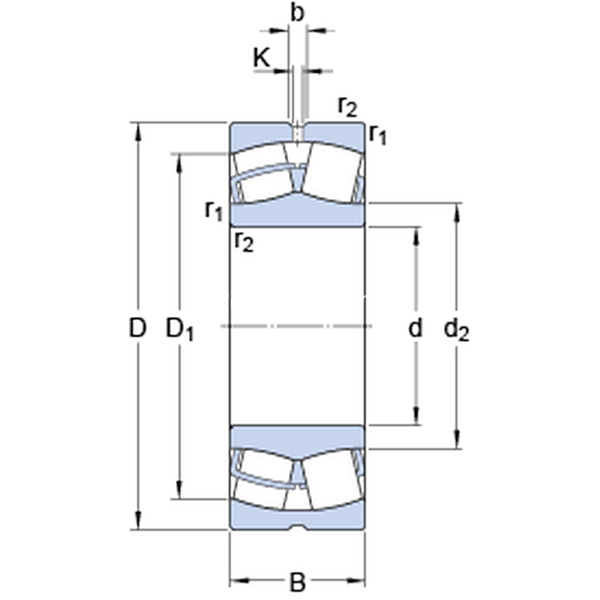
Dimensioni
d 220mm
D 370mm
B 150mm
d2248mm
D1310mm
b 11.1mm
K 6mm
r1,2min.4mm
Dimensioni Dello Spallamento
damin.237mm
Damax.353mm
ramax.3mm
Dati Di Calcolo
Coefficiente di carico dinamicoC 2197kN
Coefficiente di carico statico di baseC0 3350kN
Carico limite di faticaPu 285kN
Velocità di riferimento  850r/min
Velocità limite  1200r/min
Fattore di calcoloe 0.4 
Fattore di calcoloY1 1.7 
Fattore di calcoloY2 2.5 
Fattore di calcoloY0 1.6 
Massa
Massa  67kg