Non ci sono articoli nel tuo carrello
Prodotti
SCHEDA ARTICOLO

24152 CC/W33

CUSCINETTO
Codice: H9608
Disponibilità: Disp. limitata
Disponibilità: 4 disponibile
Marca: SKF
Unità di misura: NR
Quantitativi ammessi: multipli di 1X
Da preventivare

Descrizione

Dimensioni: Foro: 260 mm Diametro: 440 mm Spessore: 180 mm Peso: 111 kg


Dettagli

  • EAN-Code : 07316577028082
  • Taric number : 84823000

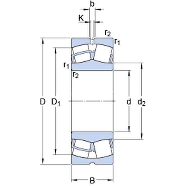
Dimensioni
d 260mm
D 440mm
B 180mm
d2293mm
D1368mm
b 13.9mm
K 7.5mm
r1,2min.4mm
Dimensioni Dello Spallamento
damin.277mm
Damax.423mm
ramax.3mm
Dati Di Calcolo
Coefficiente di carico dinamicoC 3086kN
Coefficiente di carico statico di baseC0 4800kN
Carico limite di faticaPu 380kN
Velocità di riferimento  670r/min
Velocità limite  950r/min
Fattore di calcoloe 0.4 
Fattore di calcoloY1 1.7 
Fattore di calcoloY2 2.5 
Fattore di calcoloY0 1.6 
Massa
Massa  110kg