Non ci sono articoli nel tuo carrello
Prodotti
SCHEDA ARTICOLO

24168 ECCJ/W33

CUSCINETTO
Codice: H4484
Disponibilità: Non disponibile
Disponibilità: Disponibile
Marca: SKF
Unità di misura: NR
Quantitativi ammessi: multipli di 1X
Da preventivare

Descrizione

Dimensioni: Foro: 340 mm Diametro: 580 mm Spessore: 243 mm


Dettagli

  • EAN-Code :
  • Taric number : 84823000

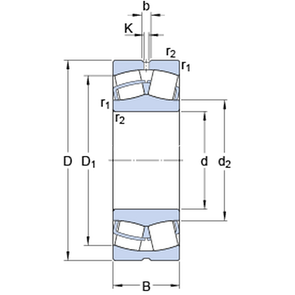
Dimensioni
d 340mm
D 580mm
B 243mm
d2383mm
D1491mm
b 16.7mm
K 9mm
r1,2min.5mm
Dimensioni Dello Spallamento
damin.360mm
Damax.560mm
ramax.4mm
Dati Di Calcolo
Coefficiente di carico dinamicoC 5487kN
Coefficiente di carico statico di baseC0 8650kN
Carico limite di faticaPu 630kN
Velocità di riferimento  430r/min
Velocità limite  630r/min
Fattore di calcoloe 0.4 
Fattore di calcoloY1 1.7 
Fattore di calcoloY2 2.5 
Fattore di calcoloY0 1.6 
Massa
Massa  280kg